Ticker

6/recent/ticker-posts

Advertisement

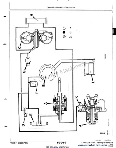
PDF John Deere 4400 Telehandler Parts Manual

Currently you are looking for an John Deere 4400 Telehandler Parts Manual example of which we provide here in some type of document formats such as PDF, Doc, Power Point, and in addition images of which will make it simpler for you to create an John Deere 4400 Telehandler Parts Manual yourself. For a clearer look, you are able to open a few examples below. Each of the illustrations about John Deere 4400 Telehandler Parts Manual on this site, we get from a number of sources so you can create a better record of your own.

When the search you obtain here does not complement what you are looking for, please utilize the research feature that we have provided here. You will be free to download something that we provide here, expense cost you typically the slightest.

DOWNLOAD HERE

Everybody knows that reading John Deere 4400 Telehandler Parts Manual is beneficial, because we can easily get enough detailed information online from your reading materials. Technologies have developed, and reading John Deere 4400 Telehandler Parts Manual books could be far more convenient and much easier. We could read books on our mobile, tablets and Kindle, etc. Hence, there are lots of books getting into PDF format.

Listed below are some websites for downloading free PDF books where you can acquire just as much knowledge as you would like. These days everybody, young and aged, should familiarize themselves together with the growing eBook market. Ebooks and eBook viewers provide substantial benefits more than traditional reading. Ebooks reduce down on the use of paper, as recommended by environmental enthusiasts. Right now there are no fixed timings for study. There is usually no question of waiting-time for new editions. Right now there is no transportation to the eBook shop. Typically the books at an eBook go shopping can be downloaded immediately, sometimes for free, sometimes for a fee.

Not just that, the online variation of books are usually much cheaper, because publication homes save on their print and paper machinery, the rewards of which are given to to customers. Further, typically the reach of the e-book shop is immense, allowing an individual living in Sydney to source out to a publication house in Chicago. The newest phenomenon in the online e-book world is what are known as eBook libraries, or e-book packages. An eBook bundle is something remarkable. It consists of a large number of ebooks bundled together that are not really easily obtainable at one solitary place. So instead associated with hunting down and buying, say 100 literary timeless classics, you can buy an eBook bundle which contains all these ebooks bundled together. These kinds of eBook libraries typically offer you a substantial savings, and are usually offered in many different formats to match your brand of electronic reading device. Large companies, such because Amazon or Barnes and Noble, tend to not really carry these eBook libraries. If you want to buy one of these libraries, you will have to search out independent eBook outlets. These independent eBook outlets typically package the e-book libraries by genre, and have a lot of genres.